
|
公稱壓力 Nominal Pressure (MPa) |
公稱通徑 Nominal Diameter (mm) |
適用介質 Applicable Medium |
| 1.0 | 65-125 |
海水、淡水、滑油、燃油和t≤220℃的蒸汽 Sea water,Fresh water, Fuel oil and steam (t≤220℃) |
| 1.6 | 20-125 | |
| 2.5 | 20-100 |
| 名稱 name | 材料 material | 牌號Marks |
|
閥體、閥蓋 body cover |
鑄鋼 Cast Steel |
ZG230-45 |
| 閥盤disc |
優質碳素鋼 Carbon Steel |
鋼25 |
| 密封圈 seal ring |
焊不銹鋼 Weld Stainless Steel |
H2Cr13 |

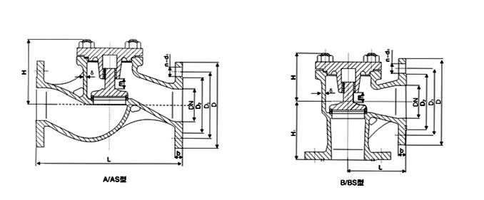
| 公稱 壓力 PN (MPa) |
公稱 通徑 DN(mm) |
結構尺寸 Structure Dimension |
壁厚Thickness | 法蘭 Flange |
螺栓 Bolt |
升程 Lift Range m |
參考重量Weight(kg) | ||||||||||
| L | H≈ | H1 | |||||||||||||||
| A型 | B型 | A型 | B型 | B型 | D | D1 | D2 | d0 | b | n個 | Th | A型 | B型 | ||||
| 1.0 | 65 | 290 | 1 15 | 124 | 91 | 115 | 6 | 155 | 123 | 104 | 15 | 14 | 6 | M14 | 18 | 12.5 | 10.6 |
| 80 | 310 | 125 | 151 | 110 | 125 | 7 | 170 | 138 | 118 | 15 | 14 | 8 | M14 | 24 | 15.6 | 14.4 | |
| 100 | 350 | 150 | 165 | 116 | 135 | 8 | 190 | 158 | 138 | 15 | 14 | 8 | M14 | 35 | 24.5 | 19.9 | |
| 125 | 400 | 175 | 184 | 124 | 155 | 8 | 215 | 183 | 164 | 15 | 14 | 10 | M14 | 44 | 31 9 | 27.5 | |
| (1.6) 2.5 | 20 | 150 | 75 | 84 | 70 | 75 | 6 | 95 | 68 | 48 | 13 | 11 | 4 | M12 | 7 | 3.3 | 3.2 |
| 25 | 160 | 80 | 84 | 70 | 80 | 6 | 105 | 73 | 56 | 13 | 12 | 4 | M12 | 7 | 3.9 | 3.8 | |
| 32 | 180 | 85 | 90 | 70 | 85 | 6 | 115 | 83 | 64 | 15 | 13 | 6 | M14 | 9 | 5.8 | 5 1 | |
| 40 | 200 | 90 | 99 | 75 | 90 | 7 | 125 | 93 | 74 | 15 | 13 | 6 | M14 | 11 | 7.1 | 6.3 | |
| 50 | 230 | 95 | 110 | 81 | 95 | 7 | 135 | 103 | 84 | 15 | 13 | 6 | M14 | 14 | 8.8 | 8.5 | |
| 65 | 290 | 1 15 | 128 | 94 | 115 | 7 | 170 | 132 | 110 | 17 | 15 | 8 | M16 | 18 | 13.5 | 11.5 | |
| 80 | 310 | 125 | 156 | 115 | 125 | 7 | 185 | 147 | 126 | 17 | 16 | 8 | M16 | 24 | 18 | 16.9 | |
| 100 | 350 | 150 | 158 | 119 | 135 | 8 | 205 | 167 | 146 | 17 | 15 | 10 | M16 | 35 | 26.3 | 22.7 | |
| 公稱 壓力 PN (MPa) |
公稱 通徑 DN(mm) |
結構尺寸 Structure Dimension |
壁厚 Thickness |
法蘭 Flange | 法蘭Flange |
升程 Lift Range m |
參考重量Weight(kg) | ||||||||||
| L | H≈ | H1 | |||||||||||||||
| AS型 | BS型 | AS型 | BS型 | BS型 | D | D1 | D2 | d0 | b | n個 | Th | AS型 | BS型 | ||||
| (1.0) 1.6 | 100 | 350 | 175 | 158 | 119 | 175 | 8 | 220 | 180 | 158 | 18 | 22 | 8 | M16 | 28 | 30.4 | 28.1 |
| 125 | 400 | 200 | 184 | 124 | 200 | 8 | 250 | 210 | 184 | 18 | 22 | 8 | M16 | 35 | 39.6 | 35.2 | |
| (1.6) 2.5 | 20 | 150 | 95 | 84 | 70 | 95 | 6 | 105 | 75 | 58 | 14 | 16 | 4 | M12 | 7 | 4.2 | 4.2 |
| 25 | 160 | 100 | 84 | 70 | 100 | 6 | 115 | 85 | 68 | 14 | 16 | 4 | M12 | 7 | 4.9 | 5 | |
| 32 | 180 | 105 | 90 | 70 | 105 | 6 | 140 | 100 | 78 | 18 | 18 | 4 | M16 | 9 | 8.4 | 7.9 | |
| 40 | 200 | 115 | 99 | 75 | 115 | 7 | 150 | 1 10 | 88 | 18 | 18 | 4 | M16 | 12 | 8.9 | 8.8 | |
| 50 | 230 | 125 | 110 | 81 | 125 | 7 | 165 | 125 | 102 | 18 | 20 | 4 | M16 | 15 | 10.4 | 10 1 | |
| 65 | 290 | 145 | 128 | 94 | 145 | 7 | 185 | 145 | 122 | 18 | 22 | 8 | M16 | 19 | 16.6 | 15.3 | |
| 80 | 310 | 155 | 156 | 115 | 155 | 7 | 200 | 160 | 133 | 18 | 24 | 8 | M16 | 23 | 22.1 | 20 | |
| 100 | 350 | 175 | 158 | 119 | 175 | 8 | 235 | 190 | 158 | 22 | 24 | 8 | M20 | 28 | 31 5 | 29.2 | |
聲明:
本文中所有文字、數據、圖片均只適用于參考。需要查看更多的船用法蘭鑄鋼止回閥GB/T586-1999性能參數、結構尺寸參數、價格等詳情,或要求高質量印刷樣本,請聯系我們。
· 電話:18717746989
· 郵箱:sales@shczvalve.com
承質訂貨須知:
一、A:產品名稱、型號、公稱通徑B:介質及溫度、壓力范圍C:是否有附件、交貨期、特殊要求等以便我們的為您正確選型。
二、若已經由設計單位選定我公司的閥門型號,請您根據閥門參數直接與我們銷售中心訂購。
三、當您使用的場合非常重要或環境比較復雜時,請您提供設計圖紙和詳細參數,我們的工程師專家會為您審核與分析。我們可以為您提供解決方案,包括設計、定做、成套、運行、服務。我們一直致力于閥門行業領域,為您提供船用閥門知識、服務、技術顧問。
感謝您訪問我們的網站【www.ib-sh.com】,如有任何疑問,您可以致電給我們,我們一定會盡心盡力為您提供優質的服務。本廠提供船用蝶閥、船用閘閥、船用止回閥、船用調節閥、船用減壓閥、船用呼吸閥、高速透氣閥、船用快關閥、船用自閉閥、船用旋塞閥、船用消防閥、船用通海閥、船用防浪閥、船用濾器、船用空氣帽、船用球閥、船用截止閥、船用截止止回閥、船用閥組、船用截止閥箱、船用針型閥、船用電磁閥、船用隔膜閥、船用壓力表閥等各類船用閥門,不銹鋼閥門。